- Struttura semplice
- Basso costo
- Alta affidabilità
Gli alimentatori per galvanica sono apparecchiature elettriche cruciali nell’industria della finitura superficiale. A causa della loro elevata potenza operativa e delle lunghe ore di funzionamento, il loro impatto sulla rete elettrica è significativo.
Gli alimentatori per galvanica tradizionali spesso generano una grande quantità di correnti armoniche durante il processo di conversione da CA a CC, influenzando gravemente il sistema di alimentazione e le apparecchiature correlate.
Con il continuo miglioramento dell’automazione industriale, le linee di produzione galvanica hanno posto requisiti più elevati sulla qualità dell’energia.
Pertanto, come controllare e mitigare efficacemente le armoniche generate dagli alimentatori per galvanica è diventata una questione importante nella gestione della qualità dell’energia aziendale.

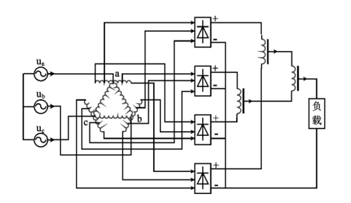
Le strutture comuni nei sistemi di raddrizzamento multi-impulso includono:
Prendendo come esempio un sistema di raddrizzamento a 24 impulsi, l’autotrasformatore sfasatore genera più gruppi di tensioni trifasi con specifiche differenze di fase (tipicamente **differenza di fase di 15°**).
Queste tensioni vengono rispettivamente fornite a più ponti raddrizzatori per la rettifica.
Le correnti armoniche generate da diversi ponti raddrizzatori, a causa delle loro diverse fasi, si annullano a vicenda quando sovrapposte sul lato primario del trasformatore utilizzando la forza magnetomotrice. Ad esempio:
Queste armoniche inferiori vengono significativamente attenuate all’interno del sistema, e ciò che alla fine entra nella rete elettrica sono principalmente armoniche superiori con ampiezze minori (come la 23a e la 25a armonica), riducendo così notevolmente il tasso di distorsione armonica totale del sistema.




Le armoniche generate dagli alimentatori per galvanica provengono principalmente dalla fase di raddrizzamento e rappresentano un fattore significativo che influisce sulla qualità dell’energia industriale.
Impiegando **la tecnologia di raddrizzamento multi-impulso e un autotrasformatore sfasatore**, è possibile ottenere una soppressione attiva delle armoniche sul lato dell’alimentazione. Le armoniche generate da diversi ponti raddrizzatori si annullano reciprocamente all’interno del sistema, riducendo significativamente la corrente armonica immessa nella rete elettrica.
Questa soluzione offre i seguenti vantaggi:
Pertanto, in applicazioni di alimentazione CC ad alta potenza come galvanica, elettrolisi e metallurgia, la **soluzione di raddrizzamento multi-impulso con autotrasformatore sfasatore** è diventata un importante percorso tecnologico per migliorare la qualità dell’energia e realizzare una produzione verde.